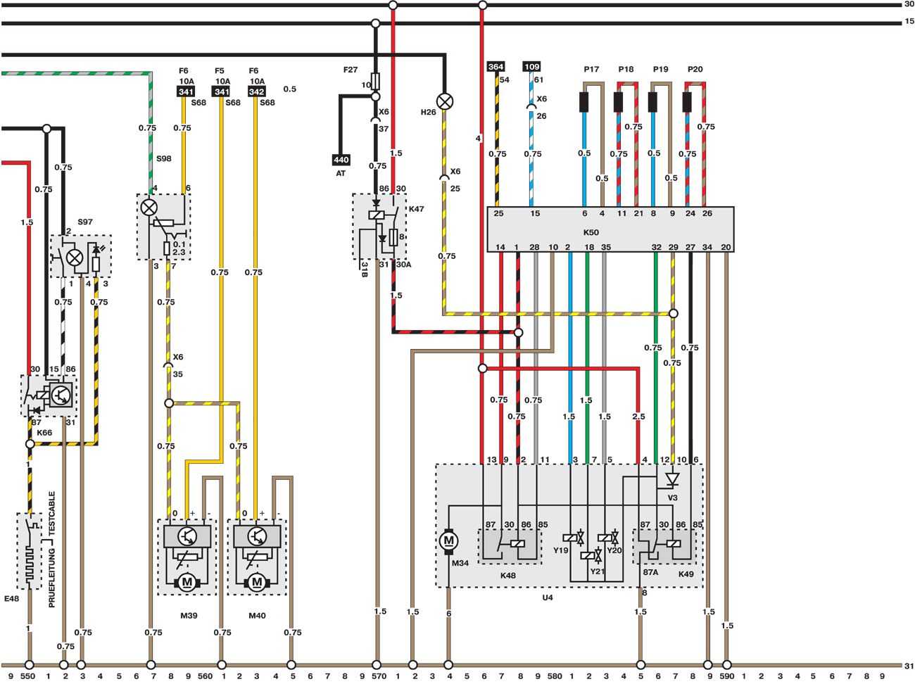
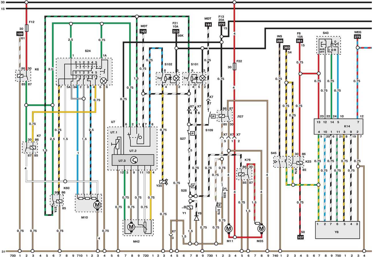
Схемы электрооборудования автомобилей Опель Омега Б (Opel Omega B)

Цепи запуска и питания

Электронный блок управления двигателем, форсунки

Бензонасос, система охлаждения двигателя

Датчики уровня топлива, температуры охлаждающей жидкости, тахометр

Головной свет и внешнее освещение

Стоп-сигналы и указатели поворотов


Обогреватель заднего стекла


Регуляторы головного света фар

Приводы центрального замка

Приводы зеркал и стеклоподъёмники


Примечание:
В данном документе представлена схема автомобилей Опель Омега В по фрагментам, для удобства представления. Внизу схемы числовая последовательность указывает линейные координаты элементов схемы, расположенные на этой вертикали.Если линия соединения схемы оканчивается черным прямоугольником, число белого цвета указывает координату, где она продолжается.
Маркировки двигателей Opel Vectra A
В связи с частыми вопросами – какой у меня двигатель и какой луче? Я решил немного внести ясность для всех обладателей Opel Vectra A. И так, начнем с того где найти маркировку на самом двигателе, как она может выглядеть, и как правильно ее розшыфровать. В основном маркировка двигателя выбита на одном из небольших выносов блока, чаще всего возле 4й свечи. Для тех кто не знает правильный порядок маркировки свечей, розказываю что нумерация идет с лева на право.
Хочется так же отметить что некоторые двигателя одинаковой маркировки есть как ДОРЕСТАЙЛОВЫЕ так и РЕСТАЙЛОВЫЕ, отличия которых заключаются в улучшенной и более надежной конструкции. К примеру, если взять двигатель с маркировкой C20NE. в дорестайловом моторе генератор, насос ГУРА и шкив идут под клиновидный ремень, а в рестайловом двигателе под ручейковый. Как показывает практика и опыт, рестайловый двигатель более надежен тем, что запчасти под ручейковый ремень надежнее и выносливее, соответственно служат намного дольше.
Теперь приведу ниже примерную схему бензиновых и дизельный двигателей, которые ставились на Opel Vectra A в период с 1988 по 1995 г.в.
Маркировки бензиновых двигателей:
- Маркировка (14NVH ) – объем (1389 куб. см) – л.с. (75) год выпуска (9/1993-10/1995)
- Маркировка (16SV ) – объем ( 1598 куб. см) – л.с. (82) год выпуска ( 9/1988—5/1993
- Маркировка (C16NZ) – объем ( 1598 куб. см) – л.с. (75) год выпуска (9/1988—10/1995
- Маркировка (E16NZ) – объем ( 1598 куб. см) – л.с. (75) год выпуска (9/1988—10/1990
- Маркировка (X16SZ) – объем ( 1598 куб. см) – л.с. (71) год выпуска (9/1993—10/1995
- Маркировка (18SV) – объем ( 1796 куб. см) – л.с. (90) год выпуска (9/1989—10/1990
- Маркировка (C18NZ) – объем ( 1796 куб. см) – л.с. (90) год выпуска (3/1990—10/1995
- Маркировка (E18NVR) – объем ( 1796 куб. см) – л.с. (88) год выпуска (9/1988—7/1989
- Маркировка (20NE) – объем ( 1998 куб. см) – л.с. (115) год выпуска (9/1988—10/1990
- Маркировка (20SEH) – объем ( 1998 куб. см) – л.с. (129) год выпуска (10/1988—9/1992
- Маркировка (C20NE) – объем ( 1998 куб. см) – л.с. (115) год выпуска (9/1988—10/1995
- Маркировка (20XEJ) – объем ( 1998 куб. см) – л.с. (150) год выпуска (1/1989—6/1994 4V
- Маркировка (C20XE) – объем ( 1998 куб. см) – л.с. (150) год выпуска (2/1990—10/1995 4V
- Маркировка (X20XEV) – объем ( 1998 куб. см) – л.с. (136) год выпуска (6/1994-10/1995 4V
- Маркировка (C20LET) – объем ( 1998 куб. см) – л.с. (204) год выпуска (6/1994—10/1995 4V
- Маркировка (X25XE ) – объем ( 2498 куб. см) – л.с. (170) год выпуска (2/1993—11/1995 4V
Маркировка дизельных двигателей:
- Маркировка (17D) – объем ( 1699 куб. см) – л.с. (57) год выпуска (10/1988—9/1992
- Маркировка (17DR) – объем ( 1699 куб. см) – л.с. (60) год выпуска (7/1992—10/1995
- Маркировка (17DT) – объем ( 1686 куб. см) – л.с. (82) год выпуска (3/1990—11/1995 (Isuzu)
- Маркировка (X17DT) – объем ( 1686 куб. см) – л.с. (82) год выпуска (3/1990—10/1995 (Isuzu TC4EE1)
Как правильно расшифровать индекс двигателя:
К примеру, возьмем самый сильный двигатель по показаниям, это C 2 0 L E T. Первая буква (С) означает наличие катализатора, дальше идут цифры (20) – это говорит об объеме двигателя, т.е. 2.0. Следующая буква (L) сразу после цифр означает степень сжатия, в нашем случае это – 8.5. Буква (Е) означает вид системы питания, в нашем случае – это многоточечная система питания, проще говоря, полный инжектор. Ну и последняя буква (Т) означает наличие Турбины.
Выходит такая схема:
Ну и на конец сами ключи для расшифровки двигателя.
1 – соответствие экологическим нормам (для машин с нейтрализатором)
- С – Катализатор (выхлоп соответствует стандартам 83 года (ЕСЕ R83A)
- X – Катализатор (выхлоп соответствует стандартам 94 года (94/12/EC)
- X (для дизеля) – Катализатора нет (выхлоп соответствует стандартам 94 года
- Z – Норма выхлопа выше чем Х
2 и 3 – рабочий объем (20 — 2.0 л и т.д.)
4 – обозначение степени сжатия:
- G – не более 8.5
- L – в пределах 8.5 – 9.0
- N – в пределах 9.0 – 9.5
- S – в пределах 9.5 – 10.0
- X – в пределах 10.0 – 11.5
- Y – более 11.5
5 – вид системы питания:
- E — многоточечный (распределенный) впрыск;
- Z — моновпрыск;
- V — карбюратор;
- D — дизель
6 – варианты исполнения двигателя
- T — турбина
- L — пониженная
- V— средне-номинально-оптимальная
- R— повышенная
- H— високая
- J — максимальная
Чтение электрических схем
В легковом автомобиле в зависимости от комплектации проложено до 1000 метров проводов для питания всех потребителей электроэнергии (фары, радиоприемник и т. д.).
Если необходимо отыскать неисправность в электрооборудовании или установить дополнительные электрические агрегаты, то без принципиальных электрических схем не обойтись, так как на них отражены токовые характеристики и соединения проводов. Например, только того, что к положительной клемме фары подается напряжение, недостаточно, если цепь одновременно не будет замкнута на «массу» (-).
Поэтому отрицательный полюс аккумулятора (-) также проводом соединен с кузовом. Иногда такого присоединения к «массе» (-) не хватает, и тот или иной потребитель электроэнергии имеет отдельный провод, соединяющий его с кузовом автомобиля. Такие провода, как правило, имеют коричневую изоляцию. В отдельных цепях могут быть объединены выключатели, реле, предохранители, измерительные приборы, электродвигатели и другие электрические узлы и детали. Чтобы их можно было правильно подключить, каждый контакт имеет соответствующее обозначение.
Каждая электрическая цепь должна быть обязательна замкнута, иначе электрический ток течь не будет.
Чтобы облегчить восприятие и понимание соединений проводов на схеме, каждый провод расположен вертикально рядом друг с другом и пронумерован.
Если электрическая цепь прерывается квадратом, внутри которого стоит число, то это число указывает дальнейший путь тока в цепи после соединения.
При пользовании принципиальными схемами рациональнее всего действовать следующим образом:
Сначала найдите в легенде соответствующую деталь, например, выключатель вентилятора обдува салона. В левом столбце рядом с названием детали в виде номера приводится соответствующее обозначение, под которым данная деталь указана на схеме на горизонтальной линии.
Для более точного различения к буквенным обозначениям добавляют числа. Важнейшими клеммами (контактами) являются следующие:
- Клемма 30. Эта клемма постоянно находится под напряжением от аккумулятора. Изоляция провода обычно красная или красная с цветными полосками.
- Клемма 31. Она соединена с «массой» (-). Провода, идущие к «массе» (-), как правило, имеют изоляцию коричневого цвета.
- Клемма 15. Напряжение к ней подается через замок зажигания. Ток по этим проводам идет только при включенном зажигании. Провод обычно с изоляцией зеленого цвета или зеленого с цветными полосками.
На схеме отдельные провода обозначены цифрами.
Цифровое обозначение соответствует поперечному сечению проводов. Так как провода одного цвета часто применяются в разных электрических цепях, то следует учитывать цвет проводов соответствующих клемм.
О производителе
Adam Opel AG — немецкий производитель популярных автомобилей среднего ценового сегмента. Вместе с родственной Vauxhall, корейской Daewoo (GM Korea), австралийской Holden, шведским SAAB и американскими компаниями Chevrolet, Cadillac, GMC и Buick, немецкий производитель входит в широко известный концерн General Motors. Большинство автомобилей этих производителей довольно серьезно унифицированы и используют общие узлы и агрегаты, платформы и прочие наработки.
Двигатели Опель и их вариации, не исключение и в том или ином виде используются на различных автомобилях концерна.
Линейка двигателей Opel состоит, преимущественно, из рядных 4-цилиндровых двигателей, а в последнее время турбированных четверок. Такие двигатели при небольшом объеме, 1.4, 1.6 турбо, выдают довольно много мощности и крутящего момента. Производились и более крупные двигатели, объемом 1.7, 1.8, 2.0, а на спортивные версии, вроде Astra OPC, устанавливались 2.0 турбо.
Вместе с широкой гаммой рядных четверок, двигатели Опель производились и в вариации рядных и V6, как турбо, так и атмосферные. Имеется семейство дизельных моторов, преимущественно 4-цилиндровые.
Чтобы разобраться во всем этом многообразии, теперь не нужно искать какие-либо отзывы, на Викимоторс имеются все необходимые обзоры, как новых двигателей Опель, так и старых, турбированных, атмосферных и других.
Кроме того, вы сможете узнать технические характеристики, ресурс, неисправности (троит, стук, шум, вибрация и проч.), ремонт двигателей Opel, их вес, где находится номер двигателя, температура, тюнинг и прочее. Одним из важнейших моментов в эксплуатации автомобиля это выбор масла, WikiMotors располагает информацией какое масло в двигатель Опель рекомендовано лить, как часто требуется замена масла и сколько заливать.
Ознакомившись со статьями, вы узнаете, какой двигатель лучше для вашего автомобиля, а желающие заменить свой мотор или купить контрактный двигатель Опель, без труда разберутся, что выбрать и не прогадать.
Двигатели Опель C20NE и X20SE
Характеристики двигателей Опель C20NE
| Производство | Kaiserslautern plant |
| Марка двигателя | C20NE X20SE |
| Годы выпуска | 1986-1999 |
| Материал блока цилиндров | чугун |
| Система питания | инжектор |
| Тип | рядный |
| Количество цилиндров | 4 |
| Клапанов на цилиндр | 2 |
| Ход поршня, мм | 86 |
| Диаметр цилиндра, мм | 86 |
| Степень сжатия | 9.2 (C20NE) 10.0 (X20SE) |
| Объем двигателя, куб.см | 1998 |
| Мощность двигателя, л.с./об.мин | 114/5200 114/5200 (X20SE) 114/5400 114/5400 (X20SE) |
| Крутящий момент, Нм/об.мин | 170/2600 172/2800 (X20SE) 170/3000 178/2800 (X20SE) |
| Топливо | 92-95 |
| Экологические нормы | Евро 1 (C20NE) Евро 2 (X20SE) |
| Вес двигателя, кг | — |
| Расход топлива, л/100 км (для Opel Vectra A) — город — трасса — смешан. | 10.3 5.6 7.1 |
| Расход масла, гр./1000 км | до 600 |
| Масло в двигатель | 0W-30 0W-40 5W-30 5W-40 5W-50 10W-40 10W-60 15W-40 |
| Сколько масла в двигателе, л | 4.5 |
| Замена масла проводится, км | 15000 (лучше 7500) |
| Рабочая температура двигателя, град. | — |
| Ресурс двигателя, тыс. км — по данным завода — на практике | — 300+ |
| Тюнинг — потенциал — без потери ресурса | — — |
| Двигатель устанавливался | Opel Astra F Opel Calibra Opel Frontera Opel Kadett Opel Omega A/B Opel Vectra A Opel Ascona |
Неисправности и ремонт двигателей Opel C20NE и X20SE
Производство этого мотора было начато в августе 1986 года, и первым автомобилем с ним был Opel Omega A. Блок цилиндров C20NE чугунный, его высота 216.3 мм. Внутри данного блока установлен коленвал с ходом 86 мм, диаметр цилиндров также составляет 86 мм, высота поршней 30.4 мм, длина шатунов 143 мм. Все вместе это обеспечило рабочий объем 2 литра.
Этот блок накрыт одновальной головкой, с 2-мя клапанами на цилиндр. Характеристики распредвала C20NE: фаза 274/275, подъем 6.67/6.67 мм. Диаметр впускных клапанов 41.8 мм, выпускных 36.5 мм, диаметр стержня 7 мм.
Система ГРМ здесь приводится в действие с помощью зубчатого ремня. Замена ремня ГРМ на C20NE требуется после каждых 60 тыс. км пробега. При его обрыве, мотор не гнет клапана. Регулировать клапана здесь не нужно — на моторе использованы гидрокомпенсаторы. Производительность стандартных форсунок 175 сс. Диаметр дроссельной заслонки 55 мм.
На базе C20NE выпускался 1.8-литровый C18NZ с моновпрыском, а также 16-клапанный C20XE.
Устанавливали подобный мотор до июля 1996 года, но уже с 1994 года его теснил X20SE. Этот двигатель отличался от C20NE модулем зажигания, датчиком детонации, поршнями под степень сжатия 10, клапаном EGR, чуть измененным распредвалом, крышкой клапанов и блоком управления Motronic M 1.5.4. Вследствие этих модификаций мощность осталась без изменений, но мотор стал соответствовать экологическим стандартам Евро-2.
В 1999 году этот двигатель перестали выпускать и вместо него начали ставить X22SE, Y22SE и Y22XE.
Проблемы и недостатки двигателей Опель C20NE и X20SE
Ровно как и 1.8-литровый собрат C18NZ, этот мотор простой, надежный, долго ездит и проблем не вызывает. Но нужно понимать, что двигатели C20NE и X20SE очень старые и никакого запаса прочности там не осталось. Вам нужно следить за состоянием системы охлаждения, вовремя мотор обслуживать, использовать не поддельное масло и бензин, в таком случае он еще у вас поездит.
Тюнинг двигателей Opel C20NE и X20SE
Любые доработки этого мотора финансово невыгодны для вас, если только у вас есть бесплатный C20XE, тогда можно перекинуть поршневую, головку и все навесное на свой C20NE. Также можно переделать C20NE в 20SEH, путем установки распредвала от 20SEH (274/274, подъем 6.67/6.67 мм), поршней и блока управления. Если к этому добавить тюнинговый впускной коллектор (вроде Lexmaul), форсунки от C20XE, выпускной коллектор без катализатора 4-2-1, прямой выхлоп и настроить мозг, то все поедет еще лучше. Портинг ГБЦ, а также тюнинговые распредвалы с фазой 280+ и подъемом около 12 позволят приблизиться вашему C20NE к C20XE, который стоит гораздо дешевле, чем вся эта возня.
РЕЙТИНГ ДВИГАТЕЛЯ: 4
<<�НАЗАД
wikimotors.ru
Часто встречающиеся неисправности
Большинство возникающих при эксплуатации проблем – возрастные. Среди наиболее часто встречающихся:
Износ сальников и прокладок
Эти компоненты могут просто потерять свою эластичность, и их следует заменить. Но только на качественные!
В настоящий момент на рынке появилось изрядное количество фирм, производящих запчасти для автомобилей марки Opel, которые не отличаются добросовестностью. Одним из примеров может служить продукция компании JpGroup, Сальники этого производителя, несмотря на их привлекательную низкую стоимость, приобретать не стоит.
Лучше потратиться на покупку продукции таких фирм, как Ajusa, Corteco, Elring, Payen или Goetze.
Отказ датчиков и других электронных компонентов
Распространённым явлением является вышедший из строя лямбда-зонд (датчик кислорода). При этом даже установка детали такого авторитетного производителя, как Bosch, не всегда приводит к удовлетворительному результату и лампа Check Engine продолжает выдавать код ошибки.
Проблема связана с коррозией выпускного коллектора, в гнездо которого заворачивается датчик. В установочном отверстии нередко возникают бугры ржавчины, об которые лямбда-зонд повреждается прямо в процессе установки. Их необходимо удалить.
Выход из строя свечей и высоковольтных проводов
С учётом российского климата их рекомендуется менять раз в год. Оптимальным считается установка свечей с калильным числом WR7DC по шкале Bosch.
Если желаемый результат не достигнут, стоит задуматься о замене крышки распределителя и бегунка.
Некорректная работа моновпрыска
В первую очередь следует обратить внимание на установленный в корпусе инжектора регулятор холостого хода. Даже если он функционирует нормально, подсос воздуха через уплотнения создаёт серьёзные проблемы
Отдельная тема – мембрана обратного клапана, поддерживающего давление в системе. После многих лет эксплуатации она растрескивается и через неё топливо начинает попадать в канал системы холостого хода, вызывая переобогащение рабочей смеси. После замены мембраны моновпрыск начинает работать нормально.
Снижение давления в системе смазки
Такое снижение может быть связано с износом вкладышей коленчатого вала, шестерёнок и редукционного клапана масляного насоса. Эти детали придётся заменить. Не исключено, что возникнет необходимость в шлифовке шеек коленчатого вала.
Обрыв ремня ГРМ
Хотя на моторах C14NZ подобная неприятность не приводит к повреждению клапанов, менять ремень ГРМ необходимо раз в два года или каждые 60 тыс. км. пробега. На ранних моделях ремень натягивается поворотом насоса охлаждающей жидкости в гнезде. Позже система привода была наполнена натяжным роликом.
Все перечисленные проблемы свойственны и для C14SE. На фоне этих неисправностей подтекание прокладки клапанной крышки, характерное для большинства моторов Опель, выглядит сущим пустяком.
Двигатель и коробка передач Опель Меривы
Одним из основных достоинств двигателя Opel Meriva является его практически бесшумная работа.
Находясь в салоне при запущенном на холостых оборотах двигателе, вообще невозможно на слух определить, работает он или нет. Догадаться, что машина все-таки работает, можно только взглянув на негорящий индикатор зарядки аккумулятора.
Да и снаружи, при малых оборотах двигателя, легко ошибиться и решить, что машина заглохла. И только после приблизительно 3000 оборотов шум двигателя становится отчетливо слышным.
Вместе с тем, мотор обеспечивает прекрасную динамику.
Даже при полной загрузке салона и багажника, разгон осуществляется очень легко. Причем, даже с объемом двигателя 1,6 л.
А про двухлитровый даже говорить не приходится. При этом даже включенный кондиционер не оказывает большого влияния на динамику – автомобиль легко разгоняется до 160 км/ч. Единственный фактор, влияющий на динамику отрицательно – это довольно приличная высота автомобиля, составляющая 1,6 м. К слову, именно из-за высоты, дающей повышенную парусность, машина, при наборе определенной скорости, начинает чувствовать боковой ветер. Впрочем, автомобиль не предназначен для скоростных гонок, поэтому данный минус его разработчикам можно простить.
К положительному моменту можно отнести и экономичность двигателя, потребляющего небольшое количество топлива.
В городском цикле расход составляет около 9 литров на 100 километров. по трассе в среднем 7 – 7,5 литров.
Коробка передач работает, можно сказать, безупречно.
Если исключить момент, что иногда, например, после третей скорости сложно включить первую – что не удивительно – то вообще идеально.
Грамотно реализовано включение задней скорости. Просто так ее не включить. Прежде надо поднять вверх специальное предохранительное кольцо. Это исключает непроизвольное включение задней скорости.
Ко всему этому можно еще добавить и отличную шумоизоляцию салона автомобиля. Шум колес становится слышным только при наборе скорости более 100 км/ч.
Блоки в салоне
Все блоки в салоне находятся под панелью приборов, со стороны водителя.
p, blockquote 4,0,0,0,0 —>

p, blockquote 5,0,0,0,0 —>
Блок предохранителей
Для доступа, опустите защитную крышку, с обратной стороны которой должна находится актуальная схема.
p, blockquote 6,0,1,0,0 —>
Фото — схема
p, blockquote 7,0,0,0,0 —>

p, blockquote 8,0,0,0,0 —>
Описание
p, blockquote 9,0,0,0,0 —>
| 1 | 30А Электрические стеклоподъемники передних дверей |
| 2 | 15А Лампы сигнала торможения, лампы указателей поворота |
| 3 | 30А Очиститель и омыватель ветрового стекла, очиститель заднего стекла |
| 4 | 15А Электродвигатель вентилятора охлаждения |
| 5 | 30А Электроприводы регуляторов положений передних сидений |
| 6 | 20А Радиоприемник |
| 7 | 30А Электрические стеклоподъемники задних дверей |
| 8 | 10А Лампы дневного света фар |
| 9 | 10А Автоматическая коробка передач |
| 10 | 30А Подогреватель топливного фильтра (для дизельных двигателей) |
| 11 | 10А Обогреватели наружных зеркал заднего вида |
| 12 | 20А Лампы освещения салона, радиоприемник, блок дистанционного управления центральным замком, лампы указателей поворота и аварийной световой сигнализации, многофункциональный дисплей |
| 13 | 10А Электроприводы зеркал заднего вида |
| 14 | 30А Усилитель рулевого управления, прикуриватель, системы вентиляции салона и кондиционирования, обогреватели передних сидений, обогреватель заднего стекла |
| 15 | 20А Лампы света заднего хода, лампа освещения вещевого ящика, система автоматического управления высотой задней подвески, электропривод люка, лампы освещения панели приборов |
| 16 | 20А Лампы противотуманного света |
| 17 | 20А Звуковой сигнал |
| 18 | 20А Топливный насос |
| 19 | 10А Системы ABS и TCS |
| 20 | 20А Центральный замок; лампы освещения салона, включающиеся при открывании двери |
| 21 | 10А Лампа дальнего света левой фары |
| 22 | 15А Лампа ближнего света левой фары, регулятор света левой фары |
| 23 | 10А Лампы стояночного и габаритного света левого заднего фонаря |
| 24 | 20А Нагреватель охлаждающей жидкости |
| 25 | 20А Электропривод люка |
| 26 | 10А Лампы освещения номерного знака, омыватель фар головного освещения |
| 27 | 20А Система автоматического контроля высоты задней подвески |
| 28 | 20А Лампа заднего противотуманного фонаря |
| 29 | 20А Цепь питания электрооборудования прицепа (вывод «30») |
| 30 | 10А Лампы стояночного и габаритного света правого заднего фонаря |
| 31 | 15А Лампа ближнего света правой фары, регулятор света правой фары |
| 32 | 10А Лампа дальнего света правой фары |
| 33 | 30А Электродвигатель вентилятора системы отопления/ вентиляции салона |
| 34 | 40А Обогреватель заднего стекла |
| 35 | 30А Электропривод стекол задних дверей |
| 36 | Запасной предохранитель на 40А |
| 37 | Запасной предохранитель на 30А |
| 38 | Запасной предохранитель на 20А |
| 39 | Запасной предохранитель на 10А |
Блок реле
Схема
p, blockquote 11,0,0,0,0 —>
p, blockquote 12,1,0,0,0 —>
Обозначение
p, blockquote 13,0,0,0,0 —>
- X3 — Реле задних противотуманных фонарей (GM 24 432 680)
- К19 — Реле автоматического регулирования высоты задней подвески (GM 24 432 680)
- К35 — Реле обогрева зеркал заднего вида и заднего стекла (GM 09 175 931)
- К10 — Реле указателей поворотов и аварийной сигнализации (GM 09 148 292)
- Н27 — Зуммер не выключенных фар и оставленного ключа (GM 024 433 182)
- К30 — Реле двигателя стеклоочистителя заднего стекла (GM 90 494 187)
- К63 — Реле звукового сигнала (GM 03 447 012)
- DIG — Диагностический разъём OBDII Омега б
Дополнительный блок реле
Схема
p, blockquote 14,0,0,0,0 —>
p, blockquote 15,0,0,0,0 —>
Назначение
p, blockquote 16,0,0,0,0 —>
- Реле системы сигнализации/ иммобилайзера
- Реле включения 1-ой скорости вентилятора кондиционера
- Главное реле кондиционера
- Реле включения 4-й скорости вентилятора кондиционера
- Резерв
- Реле гидроусилителя рулевого управления
- Резерв




















































